返回列表
倒计时!新国标重塑安全玻璃市场,跟不上就意味着出局
发布时间:2025-10-10
浏览次数:144次
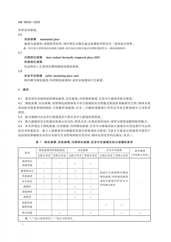
8月,国家市场监督管理总局与国家标准化管理委员会正式发布强制性国家标准《建筑用安全玻璃安全技术要求》(GB 46030—2025),该标准将于2026年8月1日起正式实施,新标准适用于建筑用钢化玻璃、夹层玻璃、均质钢化玻璃、安全中空玻璃及防火玻璃,覆盖了主流安全玻璃类型。
同时,新国标《建筑安全玻璃第1部分防火玻璃》在国家标准委员会的项目进度显示为“正在批准”,该标准将进一步细化防火玻璃的分类、技术要求和试验方法,与GB 46030—2025形成配套体系,进一步推动了防火玻璃产品走向更高效、更安全的发展方向。

以下是《建筑用安全玻璃安全技术要求》(GB 46030-2025)全文









